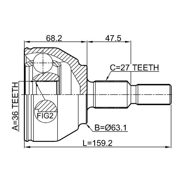
OUTER CV JOINT 36X63.1X27

UGX 542,173

SKU: DF4859 Category: Tag: Brand: