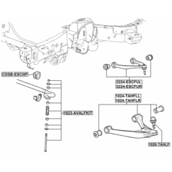
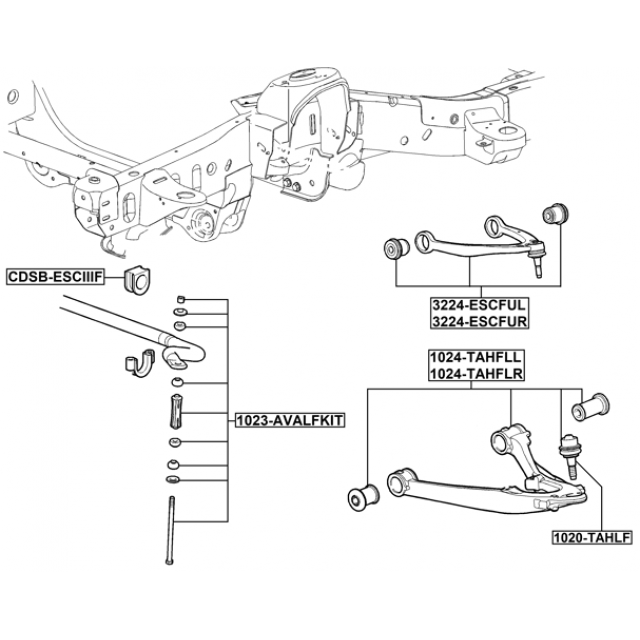
LEFT LOWER FRONT ARM

UGX 945,645

SKU: DF14849 Category: Tag: Brand: